пн-пт: с 9:00 до 18:00
Йошкар-Ола
Ваш регион - Йошкар-Ола?

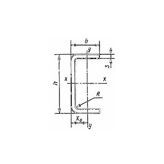
Швеллер г/к 10П Ст. 09Г2С-12

Продажа оптом горячекатаного швеллера 10П сталь 09Г2С-12 от компании «ТД МегаСталь». Широкий выбор в нашем каталоге от производителя. Доставка по Йошкар-Оле. Низкая цена за метр и тонну. Гарантия качества!
Швеллер г/к 10П Ст. 09Г2С-12
Характеристики:
Марка стали: 09Г2С-12
Длина: 12 м
Способ обработки: горячекатаный
Размер профиля: 10 мм
Вид швеллера: П – с параллельными гранями
ГОСТы: 8240

Цена за тонну : 66 000 pуб.

Возможность доставки в день заказа
Бесплатная резка

Доставка по Москве и области

Заказ по Москве и Московской области доставим на следующий день после его оплаты. За наличный расчет возможна отгрузка товаров в день обращения. Стоимость перевозки зависит от грузоподъемности автомобиля и удаленности адреса от МКАД.

Доставка в регионы

В другие города России доставляем заказы надежными транспортными компаниями, например «Деловые линии» или «ПЭК». Менеджер рассчитает стоимость перевозки и передаст документы представителям ТК. Срок транспортировки зависит от удаленности места назначения.

Оплата

Мы предлагаем вам два варианта оплаты:

  • безналично
  • банковским переводом

Работаем по предоплате. Постоянным заказчикам в индивидуальном порядке готовы предложить рассрочку.

Оплатить товары можно при самовывозе со склада.

Реквизиты для расчетов

  •   Производство профнастила
  •   Лазерная резка металла
  •   Плазменная резка металла
  •   Поперечная резка рулонной стали
  •   Продольная резка рулонной стали
  •   Гибка металла
  •   Окрашивание рулонной оцинкованной стали
  •   Двутавровые сварные балки

Рассчитайте свой заказ

* - обязательные для заполнения поля

© ООО «ТД «МегаСталь», 2014–2026

WebCanape - создание сайтов, контекстная реклама и продвижение

Мы в соцсетях:
Адрес: г. Москва, ул. Барклая, 6с5
8 800 200 01 82